Capital
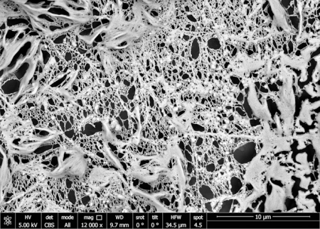
Investigadores desarrollan un protocolo que puede suponer un avance en la regeneración ósea
El protocolo de regeneración ósea desarrollado es lo más parecido al proceso natural regenerativo que realiza el organismo
Granada entrega los premios del concurso infantil de movilidad donde han participado 866 escolares
El alcalde de Granada, Francisco Cuenca, agradece la contribución de los escolares granadinos para mejorar la calidad de vida de la ciudad
Identifican un receptor que permite el movimiento de una bacteria que favorece el crecimiento de las plantas
La bacteria beneficiosa de plantas en la que se centra este estudio se conoce como Pseudomonas putida
CSIF se concentra en defensa de los derechos laborales de la plantilla de la Alhambra
El sindicato alerta que la falta de cobertura de las vacantes y el aumento de visitantes tras la pandemia afecta al servicio prestado a los visitantes
La plantilla de Alsa sigue adelante con su calendario de movilizaciones tras finalizar sin avenencia el Sercla
Los paros totales del servicio continuarán según lo previsto, se han establecido los dias 10,15 y 17 de junio
Capital















