Investigadores desarrollan un protocolo que puede suponer un avance en la regeneración ósea
El protocolo de regeneración ósea desarrollado es lo más parecido al proceso natural regenerativo que realiza el organismo
El grupo de investigación de Física de Interfases y Sistemas Coloidales del Instituto de Investigación Biosanitaria de Granada (ibs.GRANADA) ha desarrollado un protocolo que mejora el conocimiento sobre la biomineralización natural ósea, que puede suponer un avance para reemplazar tejido óseo dañado.
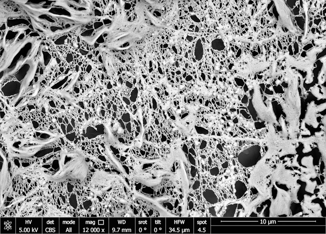
El tejido óseo está formado por fibras de colágeno alineadas que contienen cristales de apatita. Estos cristales son un elemento fundamental para que el organismo puede realizar funciones regenerativas en los huesos, la llamada mineralización ósea, donde las fibras de colágeno son capaces de controlar el crecimiento de cristales de apatita en un rango muy limitado de densidad de colágeno, siendo ambos procesos, la formación de fibrillas de colágeno y la mineralización, simultáneos.
El trabajo de este grupo de investigadores del ibs.GRANADA y de la Universidad de Granada es el diseño en el laboratorio de materiales blandos y deformables basados en los llamados péptidos biomiméticos, que son cadenas cortas de aminoácidos que permiten imitar a los péptidos naturales y han resultado ser excelentes plantillas para el crecimiento de minerales inorgánicos, que intentan emular los procesos de biomineralización que ocurren en el tejido óseo del organismo, siendo de especial interés en esta investigación el desarrollo de una de materiales de soporte capaces de guiar la regeneración ósea.
En este estudio del ibs.GRANADA se ha desarrollado un protocolo en el que se produce el autoensamblaje del péptido artificial Fluorenilmetoxicarbonil-difenilalanina (Fmoc-FF), a la vez que se lleva a cabo la formación de cristales de apatita, creando un material de interés en la regeneración de tejidos. Este protocolo reproduce de forma mucho más fiable la biogénesis ósea natural en la que se produce a la vez el autoensamblaje de las fibrillas de colágeno y la mineralización.
El sistema resultante permite ampliar el conocimiento sobre la biomineralización ósea que es de importancia radical para mejorar el tratamiento médico y propiciar el desarrollo de materiales sintéticos que sean capaces de remplazar el tejido óseo dañado.
Toni Espigares, Jacinto Garzón y Miguel Contreras representarán a los Reyes Magos en la Gran Cabalgata
El número ha sido adquirido por clientes habituales del barrio, un total de siete series agraciada con 6.000 euros al décimo.












